
© istockphoto.com / Mailson Pignata
Prozessanlagen-Engineering
Chemieanlagen vom FEED- und Prozessdesign bis zum Detail-Engineering
Kontakt:
Im FEED bzw. Basic Engineering ermöglicht Engineering Base den direkten Import von Simulationsdaten aus Tools wie Aspentech und Pro II, aber auch über Excel oder XML. Die Daten sind automatisiert vergleichbar und lassen sich direkt zum konkreten Ausarbeiten des final gewählten Anlagenkonzepts nutzen. Damit können sich Anbieter deutlich mehr Szenarien „leisten“ und sparen Zeit. Die Folge: Wettbewerbsvorteil durch hochwertigere Konzepte.
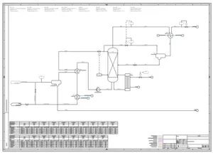
Mit Engineering Base erstellen Sie einfach und schnell alle zentralen Diagramme wie Verfahrens- und R&I-Fließbilder (PFD und P&ID) auf Basis normgerechter Shapes und mit integriertem MS-Visio. Alle Gewerke können am selben Objekt arbeiten und es in den jeweiligen Diagrammen passend darstellen. Da dies nur verschiedene Repräsentanzen der einzigen Instanz dieses Objekts im zentralen Datenmodell sind, ist stete Konsistenz garantiert.

Engineering Base macht das Erzeugen von Listen und Datenblättern für die diversen Gewerke zum Kinderspiel. Auf Basis des in Engineering Base erzeugten Digitalen Anlagenzwillings erledigt „Asset 360“ diese Arbeit im Nu automatisch. Ob Bilanzen, Massenstromtabellen, Auslegungsdatenblätter, Instrumenten-, Raum- und sonstige Listen: Sind die Vorlagen einmal konfiguriert, erhalten Sie mühelos die konsistent gefüllten Datenblätter zu jedem Ihrer Assets.

Die Auslegung der Hauptkomponenten erfolgt in der FEED-Phase. Hierzu bietet Engineering Base wiederverwendbare Vorlagen, die dann projektspezifisch mit weiteren Daten angereichert werden. Die Auslegung basiert auf dem Import von Berechnungsergebnissen aus vorgelagerten Softwaretools. So erzeugen Sie frühzeitig die Objekte der Hauptkomponenten und können sie im Lauf des Projekts stetig und ohne Systembrüche detaillieren.

Die FEED-Phase dient auch ersten Abschätzungen und Auslegungen der EMSR-Technik. Von Hochspannungskreisen über Hook-up-Zeichnungen und das Ausarbeiten von Langläufern bis zu ersten Logikplänen. Die in Engineering Base zentral geschaffenen Grundlagen-Daten werden stets konsistent gehalten und über die weiteren Engineering-Phasen verfeinert. Die Notwendigkeit zur Datenpflege an anderen Orten ist passé.